| Нормативы годовых загрузок и потребности в машинах для выполнения ремонтно-строительных работ на гидромелиоративных системах (1979) / 26
|
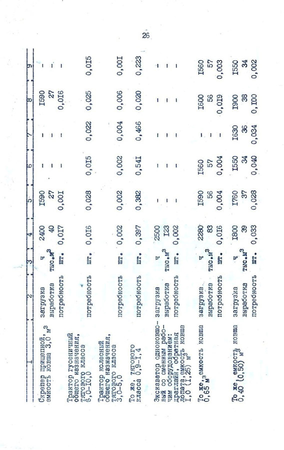
1 | 2 | 3 | 4 | 5 | 6 | 7 | 8 | 9 | 10 | 11 | 12 | 13 | 14 | 15 | 16 | 17 | 18 | 19 | 20 | 21 | 22 | 23 | 24 | 25 | 26 | 27 | 28 | 29 | 30 | 31 | 32
