Назад



Рис. 35. Саморегулирование подачи насоса


Рис. 36. Характеристики насоса и сети при саморегулировании


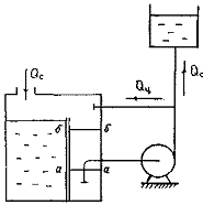
Рис. 37. Регулирование подачи насоса саморегулированием и перепуском


Рис. 38. Характеристики насоса
и сети при саморегулировании и перепуске


Саморегулирование. Способ саморегулирования расхода основан на изменении Q-H характеристик сети при работе насосов при малом располагаемом кавитационном запасе. Этот способ использует частные кавитационные Q-H характеристики, зависящие от .
Способ саморегулирования применяют там, где давление жидкости примерно равно давлению насыщенных паров (нагретые жидкости и т.п.). При таком способе регулирования насос постоянно работает в режимах, соответствующим начальным стадиям кавитации.
На рис. 35 приведена схема установки при саморегулировании.
На рис. 36 изображены нормальная 1 и частные 1а, 16, 1в, 1г характеристики насоса при уровне жидкости в приемном резервуаре соответственно а-а, б-б, в-в, г-г; 2-5 — характеристики сети соответственно при тех же уровнях. При возникновении кавитации подача насоса ограничивается из-за частичного парообразования на входе в колесо. Нормальная характеристика насоса 1 в этом случае переходит в одну из частных характеристик, зависящих от располагаемого кавитационного запаса. При этом рабочая точка перемещается в положение а, б, в или г — в зависимости от уровня в приемном резервуаре а-а, б-б, в-в, г-г. Подача жидкости насосом во внешнюю сеть при этом составит соответственно Qca, Q, Q, Осг. Таким образом может осуществляться автоматическое регулирование подачи в зависимости от поступления жидкости в бак. Однако рабочая точка не должна выходить за область, ограниченную кривой 6, иначе может произойти срыв работы насоса. Опыт эксплуатации системы саморегулирования конденсатных насосов на судах показывает, что они могут работать в этом режиме длительный период без повреждений [8, 17, 23].
Для обеспечения устойчивой работы насосов при малых по сравнению с номинальной подачах используется способ — саморегулирование с перепуском. На рис. 37 приведена схема установки при саморегулировании и перепуске. На рис. 38 изображены характеристики насоса 1 и перепускного трубопровода 2;
3, 5 — характеристики наружной сети при уровне жидкости в приемном резервуаре соответственно а-а, б-б;
4, 6 — суммарные характеристики сети и перепускного трубопровода соответственно при тех же уровнях. В этом случае насос работает на расходе Qнa или Qнб (в зависимости от уровня в приемном баке), близком к номинальному и обеспечивает подачу в сеть расхода Qca или Qсб. Через байпасную линию циркулирует расход Qца или Qцб [8, 17, 23].